咨詢熱線
0551-65501008
地址:安徽省合肥市高新區安大科技園電子樓B座
電話:0551-65501008
傳真:0551-65501008
郵件:noike009@foxmail.com
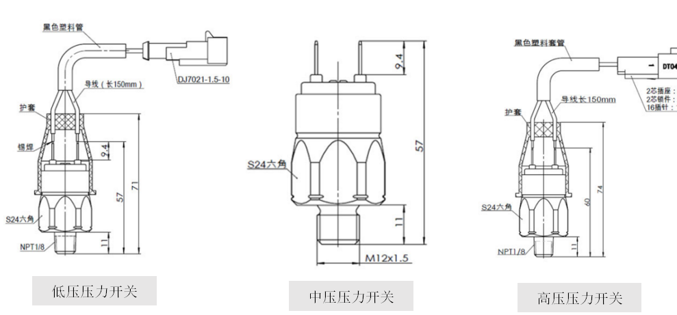
內置活塞與精密彈簧相連當壓力變化時,彈簧伸縮量發生相應變化,當壓力達到設定值時,會觸發預設的機械結構并發出開關信號。壓敏元件原材料:橡膠由聯邦德國進口制作。 壓力開關工作介質為水、油或壓縮空氣。壓力開關外殼材質:鍍鋅鋼及(304)不銹鋼。用戶特別需要,例如工程挖掘機上配套的壓力開關要加上防護套及密封型的接插件成套出廠。我廠生產的壓力開關已成功替代進口,被廣泛應用于船舶,鐵路和工程機械。當系統壓力值較大時采用活塞型壓力開關,該壓力開關有活塞密封圈、活塞缸等組成。可在系統壓力30MPa內采用活塞型壓力開關。
這些小巧型的壓力開關是OEM應用設計的,他們是工程機械船用閥門遙控系統等.要求高耐壓設備的理想選擇。超長的體積壓力量稱比 可以工廠設定或現場調節。
觸點允許最大負載42V,4A 工作穩定范圍:—40~120°C.開 關:100VA 標稱電壓:24V額定功率:45W 重復性能:+5%防護等級:IP65 電氣連接:6.3*0.8插片壓力接口:不銹鋼 工作壽命:100萬次(eg:壓力循環0~12MPa~0)實拍圖片:
壓力開關的過壓安全有二種:30MPa;60MPa。過壓安全為30MPa的壓力開關,報警壓力值范圍為0.035MPa-10MPa;過壓安全為60MPa的壓力開關,報警壓力值范圍為0.01MPa-25MPa。 電氣接線方式:過壓安全為30MPa的壓力開關接線有:常開或常閉雙線制輸出兩種。過壓安全為60MPa的壓力開關接線有:常開或常閉雙線制輸出。
訂貨提示:選型完畢后,請再次核對型號各項是否與所需一致、量程是否正確、輸出信號是否正確、是否有可選項、附件漏選
1.收到產品后,請檢查包裝及外形是否完好,并核對型號和規格是否與您選購的產品相符。2.通電之前請務必檢查供電電壓是否正確,連線是否正確。因為連續錯誤導致的產品燒壞或負載產品損壞,公司不保修。3.請勿帶電安裝!4.在安裝過程中,使用六角扳手,不得強力安裝或者拆卸。否則容易損壞產品,特別是按照螺紋和殼體。5.出現非正常現象,除非具備產品調節設備和技能,否則請將產品聯系我公司售后技術人員。
此內容僅供參考,選購時請根據產品具體需要和使用場景,先聯系工程師屠先生進行詳細咨詢。
更多詳情,請點擊ZSJY 1.6BP消防壓力開關安裝使用說明
網站簡介:臬克旗下有流量開關、流量計、溫度開關等產品,流量開關主要有消防,防爆,水,熱式,靶式,管道等,歡迎您進行選購。
備案號:滬ICP備18030703號-1
網站地圖: xml | TXT
微信公眾號