流量開關繼電器在實際中的使用
流量開關繼電器在實際中主要應用在哪里?這里給您闡述一下。
如前文所述(什么是電子式流量開關中的繼電器?),使用繼電器使得小型低功率組件和設備可以接通更大更多的耗電設備。
大多數人都能看到的最常見的例子是汽車。
如果你曾經想知道為什么你的汽車在指示燈亮時會發出咔噠聲,那是因為繼電器是通過小型定時器芯片打開和關閉的。我不知道究竟是什么類型,但很可能是它的555計時器。
555計時器用于以任何速率創建任何長度的脈沖(只是打開和關閉),但是,如果從中抽取超過200ma,它將很快燃燒。
如果我們嘗試使用555定時器為指示燈供電,你就不會看到任何東西,因為它無法為燈提供足夠的電力來實際做某事,即使在700ma時也是如此,此外,它會燃燒起來芯片約5-10秒后。
現在,如果我們只是使用555定時器打開繼電器,然后將指示燈與電池連接,可能會吸收50ma,這是芯片處理的安全負載,而任何高達5A的可能是從電池流過繼電器,為燈供電(一般情況下,在為任何類型的線圈供電時,避免使用555以上的100mA以上電流)。(如想進一步了解關于繼電器的工作原理,可查看電子式流量開關繼電器工作原理是什么?)
如果你有一輛昂貴的新車,你很可能聽不到這種咔噠聲,因為要么制造商遇到隔音繼電器的問題,要么使用大功率晶體管,或者MOSFET(類似),可能是因為你的指標是LED的。
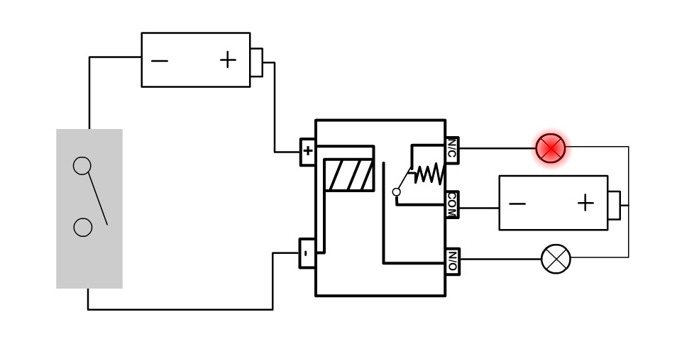
這個交互式動畫向您展示了一個非常簡單的場景,其中使用了N / O和N / C,根據是否有通過繼電器的電源,打開紅色或綠色光源。
按灰色開關打開繼電器,然后松開以關閉或按住以保持繼續。
由于閃存檢測鼠標點擊的方式,如果你按住鼠標并將其從按鈕上移開,你可以欺騙開關說它仍然被按下,如果你把繼電器鎖定在ON,只需點擊開關它就會再次正常工作。
顯然這不會發生在現實生活中。它只是代碼中的一個錯誤。
繼電器也是電子式流量開關的重要組成部分,您可以在本網站查看文章詳情。
繼電器也是電子式流量開關的重要組成部分,您可以在本網站查看文章詳情。


