消防水流開關裝置(下篇)
在上一期的文章中,我們探討了關于消防水流開關裝置幾種類型。下面我們將繼續帶領大家深入了解下面這一種,消防水流開關裝置。
Delta Controls Model 626無阻礙低流量檢測器
Delta Controls Model 626無阻礙低流量檢測器
Delta Controls Model 626流量檢測器專門設計用于檢測海水雨淋防火系統中的流量。 626型包含了正確檢測此類海水系統中流量所必需的所有屬性。所使用的設計和構造技術是為滿足這種苛刻和關鍵服務的需求而開發的。
設計用于管道內部尺寸的目標垂直進入管道孔。由單個排放噴嘴引起的相對低的流量足以使目標致動輸出警報開關然后在其鉸鏈上旋轉。
目標鉸接在頂部,允許向上旋轉直到與內管壁齊平。管道孔完全打開并且不受限制,直到海水流動停止。然后重力將目標拉回到向下位置,并將輸出開關觸點重置到正常位置。 626型再次靜止監測海水流量;等待下一個活動。
高流速不會損壞626型。只有目標的薄邊暴露在海水流中。鉸鏈銷和目標容易承受由設計的高體積流量引起的力。
流量檢測器由非腐蝕材料構成,例如Monel 400,Alloy 20和Hastelloy C.
杯形目標已安裝,不會在內部車身或管道上摩擦。偏置頂部安裝的目標鉸鏈不能阻止目標旋轉。全線壓力(英尺 - 磅)可用的扭矩可用于強制目標旋轉。積聚,沉積物和其他污染物將被推開,開關觸點將變為報警位置。
大多數626型外露表面均采用與內部部件相同的材料制成,適用于潮濕和咸味環境。輸出開關外殼由不銹鋼制成。這使得外部可以輕松承受海水噴霧和波浪。金屬開關觸點和電鍍接線端子可在極端條件下提供額外保護。
存儲在永磁體區域中的重力和力提供設定點力。由于海水流動產生的力提供了操作流量檢測器開關觸點所需的所有功率。在開關外殼內還有一個負載彈簧,用于推動輸出開關。它充當偏置力,確保輸出開關觸點恢復到已知位置。
測試簡單可靠。一個簡單的測試程序是打開一個相當于一個噴嘴(或其他選定的流量)的下游排放流孔,并見證626型流量檢測器的操作。可以在不損壞流量檢測器或其目標的情況下測試最大可用系統流量。
25年以上的可靠現場服務已經驗證了626型上使用的設計質量,注重細節和制造技術。

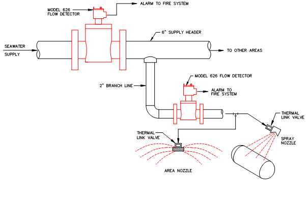
(消防水流量檢測管系應用頁面原理圖)


